• Logo
Logo Projektierungstool
  • NAVIGATION
  • Mechatronisches System

  • Sensor

    • Allgemein

    • Kapazitiv

    • Induktiv

    • Magnetostriktiv

    • Piezo

    • Potentiometrisch

    • DMS

    • Fotoelektrisch

    • Ultraschall

    • Magnetisch

  • Aktor

    • Allgemein

    • Magnetostriktiv

    • Piezo

    • Synchron-Motor

    • Asynchron-Motor

    • Schritt-Motor

    • Linear-Motor

    • Tauchspulen-Motor

    • Smart-Materials

  • Steuerungs- /
    Regelungssystem

    • Allgemein

    • ASIC

    • SPS

    • Prozessrechner

    • Microcontroller

    • Industrie-PC

  • Identifikationssysteme

    • Allgemein

    • Barcode

    • 2D-Code

    • RFID

    • Magnetisch

    • Bildverarbeitung

    • Elektro-Mechanisch

  • Kommunikation- /
    Feldbustechnologie

    • Allgemein

    • ASI

    • CAN

    • Profibus

    • Industrial Ethernet / Profinet

SPS

  1. Home
  2. ILT
  3. Projektierungstool
  • Prinzip
  • Sensor
  • Aktor
  • Identifikation
  • Kommunikation

Grundeigenschaften

SPS bedeutet Speicherprogrammierbare Steuerung. Mit dieser Steuerung können grundsätzlich logische Verknüpfungen oder klar definierte Abläufe programmiert werden. Somit lassen sich fest verdrahtete Relais-Schaltungen vollkommen durch eine SPS ersetzen. Dabei ergeben sich grundlegende Vorteile wie die Platzeinsparung und eine hohe Flexibilität. Die Speisespannung für SPS-Anlagen beträgt in der Regel 24 Volt. In der Programmbibliothek stehen dem Anwender nebst der logischen Verknüpfungen (AND, OR, NAND, NOR, EXOR, etc) auch zeitgesteuerte Funktionen wie anzug- und abfallverzögerte Relais, Timer und Taktgeber. Durch die anwachsende Integrierung der SPS in die Automatisierungstechnik, übernimmt diese heutzutage auch Regelaufgaben, die mit analogen Signalrückführungen verbunden sind, wie beispielsweise eine Motordrehzahlregelung

{.imgcenter}

Bauformen

Es gibt von der Micro-, zur Mini- bis hin zur Rack-SPS. Je nach Baugrösse oder Komplexität des zu erstellenden Programms, kann das Programm direkt an der SPS-Einheit oder mit Hilfe einer SPS-Software am PC programmiert werden.

{.imgcenter} Bildquelle: www.Siemens.ch

Die Flexibiltät der SPS-Steuerungen widerspiegelt sich auch in deren modularen Bauform. Das Netzteil und die CPU-Einheit bilden das Grundgerüst für eine Steuereinheit, die mit folgenden Modulen erweitert werden können:

  • Digitale Eingangskarten (meist Potentialtrennung mittels Optokoppler)
  • Digitale Ausgangskarten (offener Kollektor oder Relais)
  • Analoge Eingangskarten
  • Analoge Ausgangskarte
  • Motorsteuerkarte
  • Busmodule
  • Netzwerkverbindung

etc.

{.imgcenter}

Aufbau und Funktionsweise

Programmabarbeitung:
Das Programmbearbeitungsprinzip sieht folgendermassen. Das SPS-Programm wird zyklisch abgearbeitet. Pro Zyklus werden drei grundlegende Schritte ausgeführt. Als erstes legt die SPS das Eingangsabbild der Sensoren im Prozessabbild ab. Als nächstes werden aufgrund des Programms und des Eingangsbildes die Ausgänge neu definiert und somit ein Ausgangsabbild erstellt. Zuletzt im Zyklus wird das Ausgangs-Prozessabbild den Ausgängen übergeben.

Die Zykluszeit beträgt üblicherweise ca. 1/100 Sekunden. Je nach Programmlänge kann diese Zeit variieren. Durch die zyklische Abarbeitung des Programms hat die SPS eine Reaktionszeit, die maximal mit dem Zweifachen der Zykluszeit geschätzt werden kann. Der Grund ist: Eine Eingangsänderung, die erst unmittelbar nach dem Übernehmen des Eingansgabbildes erfolgt, wird erst am Anfang des nächsten Zyklus übernommen und bearbeitet.

{.imgcenter}

Programmiersprache:
Für die Programmierung stehen dem Anwender drei Programmiersprachen zur Verfügung. Hier jeweils ein Beispiel zum gleichen Codeausschnitt:

AWL (Anweisungsliste)
{.imgcenter}

FUP (Funktionsplandarstellung)
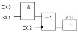
{.imgcenter}

KOP (Kontaktplandarstellung)
{.imgcenter}

Kenngrössen

Speisespannung [V]:
Üblicherweise 24 Volt.

Bitverarbeitungsgeschwindigkeit [us]:

Programmspeicher [kB]:
Hunderte von kByte

Datenspeicher [kB]:
Hunderte von kByte

Anzahl digitale Ein- und Ausgänge:
Je nach SPS-Aufbau sehr unterschiedlich

Anzahl analoge Ein- und Ausgänge:
Je nach SPS-Aufbau sehr unterschiedlich

Anzahl Merker

Anzahl Timer

Anzahl Zähler

Kommunikationstechnologien:
Ja nach SPS-Aufbau sehr unterschiedlich

Ansteuerung

Die Ansteuerung einer SPS erfolgt üblicherweise über eine der seriellen Schnittstellen am Computer. Durch die anwachsende Vernetzung der Anlagen erlauben einige SPS auch einen Zugriff über TCP/IP, was eine Fernwartung ermöglicht.

Über die Ansteuerungssoftware können die momentanen Zustände der SPS abgerufen werden und beeinflusst werden oder eine Simulation des Programms durchgeführt werden. Dies setzt voraus dass die SPS-Hardwarekonfiguration der Software bekannt ist. Die ganze Hardwareprojektierung wird in der selben SPS-Software erstellt.

Anwendungsgebiete

Automatisierung
Allgemeine Steuerungen
Fertigungstechnik
Heiz- und Lüftungsanlagen

Literaturhinweise

  • Automatisieren mit SPS, Theorie und Praxis, ISBN3-528-23910-7

Verbindungsmöglichkeiten SPS

Sensortyp Bemerkung zur Kombination
Kapazitiv Direkt über digitale Eingänge einlesbar
Induktiv Direkt über digitale Eingänge einlesbar
Magnetostriktiv
Piezo
Potentiometrisch Direkt über analoge Eingänge einlesbar - Eingangswiderstand der SPS muss möglichst gross sein.
DMS
Fotoelektrisch Direkt über digitale Eingänge einlesbar
Ultraschall Über analoge Eingänge oder Funktionsmodul einlesbar
Magnetisch Direkt über digitale Eingänge einlesbar

Verbindungsmöglichkeiten SPS

Aktortyp Bemerkung zur Kombination
Magnetostriktiv
Piezo
Synchronmotor Über Funktionsmodul ansteuerbar
Asynchronmotor Über Funktionsmodul ansteuerbar
Schrittmotor Über Funktionsmodul ansteuerbar
Linearmotor Über Funktionsmodul ansteuerbar
Tauchspulenmotor Über analoge Ausgänge oder Reglerbaugruppe ansteuerbar
Smart-Materials

Verbindungsmöglichkeiten SPS

Identifikationstyp Bermerkung zur Kombination
Barcode Über Funktionsmodul ansteuerbar
2D-Code Über Funktionsmodul ansteuerbar
RFID Über Funktionsmodul ansteuerbar
Magnetisch Zur Zeit keine Kobmination bekannt
Bildverarbeitung Über Funktionsmodul ansteuerbar
Elektro-Mechanisch Über digitale Eingänge programmierbar

Verbindungsmöglichkeiten SPS

Kommunikationstyp Bemerkung zur Kombination
ASI Über Funktionsmodul ausführbar
CAN Über Funktionsmodul ausführbar
Profibus Über Funktionsmodul ausführbar
Industrial Ethernet / Profinet Über Funktionsmodul ausführbar
Projektierungstool
© 2026 Institut für Laborautomation und Mechatronik. All rights reserved.